Bomba Cat 2SF35SEEL de 3,5 GPM, 1200 PSI, 1725 RPM, accionamiento directo, acero inoxidable 316
-
Para envíos internacionales ¡Contáctanos para una cotización!
-
¡Para precios por cantidad contáctenos para una cotización!
-
Llama al: 1 (760) 598-0189
-
Correo electrónico: hctivista@gmail.com
CONSULTE LAS HOJAS DE DATOS Y TABLAS A CONTINUACIÓN
Bomba de émbolo de accionamiento directo CAT 2SF35SEEL 316SS
🌟 Descripción del producto
La CAT 2SF35SEEL es una bomba de émbolo triplex robusta y de alto rendimiento, diseñada para aplicaciones comerciales e industriales ligeras que requieren un mayor volumen de fluido a alta presión. Su característica principal es el extremo de fluido de acero inoxidable 316 y los émbolos de cerámica sólida, que proporcionan una protección superior contra la corrosión en sistemas de agua salobre (BWRO) y agua de mar (SWRO). Este modelo ofrece una potente combinación de caudal de 3,5 GPM y alta presión, utilizando un eje hueco para montaje de accionamiento directo en un motor eléctrico de cara 56C, lo que garantiza un sistema compacto y eficiente.
-
Salida de alto caudal: ofrece un caudal robusto de 3,5 GPM , adecuado para sistemas de ósmosis inversa comerciales medianos a grandes.
-
Clasificación de presión SWRO: capaz de generar una presión de hasta 1200 PSI , satisfaciendo las demandas de los procesos de desalinización de alta presión.
-
Resistencia a la corrosión: Cuenta con una construcción de acero inoxidable 316 para un servicio duradero en entornos de agua agresivos.
-
Integración sencilla: el diseño de accionamiento directo permite un montaje rápido y que ahorra espacio directamente en un motor eléctrico.
⚙️ Especificaciones técnicas
| Parámetro |
Valor |
Unidades |
Notas |
| Modelo
|
2SF35SEEL |
N / A |
Bomba de émbolo, solo extremo de la bomba |
| Caudal máximo
|
3.5
|
GPM |
Caudal comercial medio-alto. |
| Presión máxima
|
1.200
|
PSI |
Clasificación de alta presión para SWRO. |
| Material
|
Acero inoxidable 316 (SS) |
N / A |
Excelente resistencia química y a la corrosión. |
| RPM máximas
|
1.725 |
RPM |
Velocidad del motor estándar de EE. UU. |
| Tamaño del puerto de entrada
|
3/8" |
NPT(F) |
Rosca Nacional Femenina para Tubería. |
| Tamaño del puerto de descarga
|
3/8" |
NPT(F) |
Rosca Nacional Femenina para Tubería. |
| Material del sello (estándar)
|
NBR (Buna-N) |
N / A |
Sellos y juntas tóricas estándar. |
| Peso (solo bomba)
|
8.9 |
libras |
Peso del extremo de la bomba. |
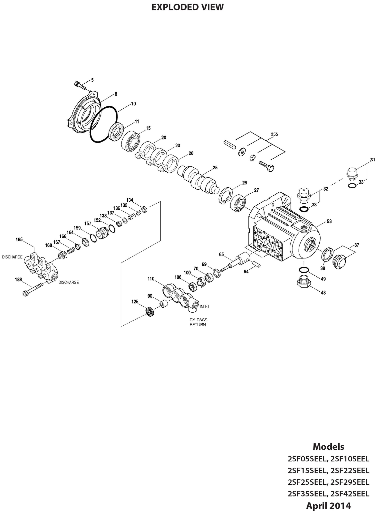
Para ver la hoja de datos más grande, haga clic derecho en la hoja y seleccione Abrir imagen en una nueva pestaña



